31+ Evinrude Outboard Parts Diagram
5005131 Omc Brp Evinrude 135 150 175 Hp Outboard Parts Catalog 2002 Final Green Bay Propeller Marine Llc

Evinrude E Tech Parts Catalog 115hp Pdf Electrical Connector Ac Power Plugs And Sockets
Evinrude Outboard Parts By Hp 6 6902m 1969 Carburetor And Starter Group Evinrude Johnson Omc Outboard Motor Parts Van S Sport Center
Mercruiser Seraphilus Marine Doo
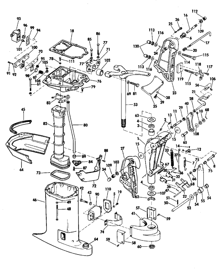
Johnson Motor Cover Group Parts For 1969 4hp 4r69b Outboard Motor Outboard Motors Outboard Johnson
5008321 Brp Evinrude Outboard Parts Catalog 115 130 Hp E Tec V4 2011 Green Bay Propeller Marine Llc
Mercury Mariner Tohatsu Parsun 6 8 9 8 9 9 Hp 4 Stroke 209cc 2 Stroke 2 Cyl Inter Gearcase Assy Parts Allesmarine
Evinrude Johnson Outboard Parts Drawings
Maytag Mfr40pncts Parts List Coast Appliance Parts
Evinrude Outboard Parts By Hp 15 E15ecrm 1984 Gearcase Evinrude Johnson Omc Outboard Motor Parts Van S Sport Center
Evinrude Outboard 15hp Oem Parts Diagram For Carburetor Manifold Boats Net
Evinrude Johnson Outboard Parts Drawings
Evinrude Fleetwin 7 5 Outboard Motor Parts Manual Emanualonline
Omc Outboard Motor Parts Lists Catalogs
Evinrude Exhaust Housing Parts For 1973 85hp 85393m Outboard Motor
1956 Evinrude Sportwin 10 Antique Outboard Motor Club Inc
Johnson Outboard 55hp Oem Parts Diagram For Gearcase Boats Net
Evinrude Johnson Outboard Parts Drawings